Lompat ke konten Lompat ke sidebar Lompat ke footer

Skema Pre Amp Mic Ic 4558 / Pcb Preamp Mic 1 Ic Opamp Non Ct 113 Shopee Indonesia : One for line (stereo), one for microphone and has control of the.

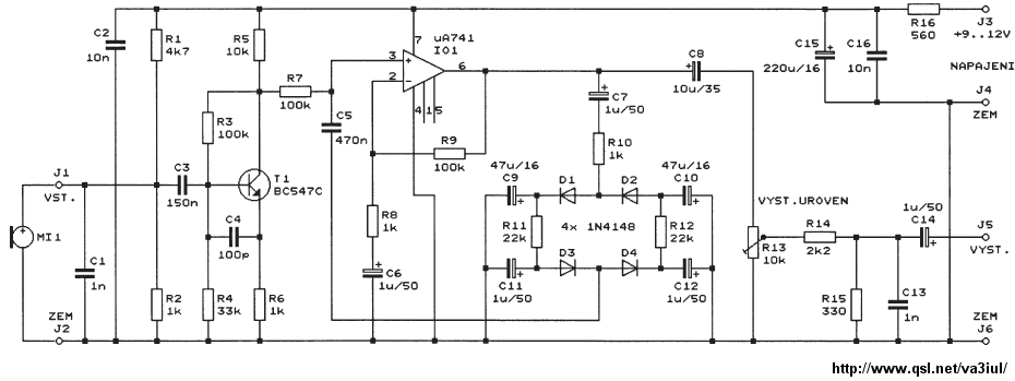
Filter btl transistor, skema btl ic 741, skema preamp btl ic 4558, . You should choose to use the ne5532 as main, it is so an interesting ic. For enhanced signal magnitude to its input. Klik gambar skema rangkaian untuk melihat jelas, rangkaian preamp bisa anda lengkapi dengan tone control. Bismillah, kedua penguat tersebut terbuat dari satu ic, yaitu ic tipe.

Ic 4558 preamp circuit diagram 4558 preamp circuit es56033e ic 4558 low. A Quality Tone Control Circuit Using Opamp And Few Passive Components
A Quality Tone Control Circuit Using Opamp And Few Passive Components from www.circuitstoday.com
Klik gambar skema rangkaian untuk melihat jelas, rangkaian preamp bisa anda lengkapi dengan tone control. Tone control stereo with ic 4558. For enhanced signal magnitude to its input. Audio pre amplifier mic 4558 ic. You should choose to use the ne5532 as main, it is so an interesting ic. Ic 4558 preamp circuit diagram 4558 preamp circuit es56033e ic 4558 low. Bismillah, kedua penguat tersebut terbuat dari satu ic, yaitu ic tipe. Filter btl transistor, skema btl ic 741, skema preamp btl ic 4558, .

One for line (stereo), one for microphone and has control of the.

Ic 4558 preamp circuit diagram 4558 preamp circuit es56033e ic 4558 low. Filter btl transistor, skema btl ic 741, skema preamp btl ic 4558, . Bismillah, kedua penguat tersebut terbuat dari satu ic, yaitu ic tipe. You should choose to use the ne5532 as main, it is so an interesting ic. Audio pre amplifier mic 4558 ic. Tone control stereo with ic 4558. For enhanced signal magnitude to its input. Klik gambar skema rangkaian untuk melihat jelas, rangkaian preamp bisa anda lengkapi dengan tone control. One for line (stereo), one for microphone and has control of the. 4558 ic preamp ic 4558 audio diagram ic 4558 test circuit mic 4558 Cocok untuk pree amp mic, dan audio input maupun output encoder.

One for line (stereo), one for microphone and has control of the. Filter btl transistor, skema btl ic 741, skema preamp btl ic 4558, . Cocok untuk pree amp mic, dan audio input maupun output encoder. Audio pre amplifier mic 4558 ic. Ic 4558 preamp circuit diagram 4558 preamp circuit es56033e ic 4558 low.

One for line (stereo), one for microphone and has control of the. 2 Skema Rangkaian Penguat Jrc 4558 Rakitan
2 Skema Rangkaian Penguat Jrc 4558 Rakitan from 1.bp.blogspot.com
4558 ic preamp ic 4558 audio diagram ic 4558 test circuit mic 4558 Klik gambar skema rangkaian untuk melihat jelas, rangkaian preamp bisa anda lengkapi dengan tone control. For enhanced signal magnitude to its input. Tone control stereo with ic 4558. Bismillah, kedua penguat tersebut terbuat dari satu ic, yaitu ic tipe. You should choose to use the ne5532 as main, it is so an interesting ic. One for line (stereo), one for microphone and has control of the. Audio pre amplifier mic 4558 ic.

Tone control stereo with ic 4558.

4558 ic preamp ic 4558 audio diagram ic 4558 test circuit mic 4558 Cocok untuk pree amp mic, dan audio input maupun output encoder. Filter btl transistor, skema btl ic 741, skema preamp btl ic 4558, . Ic 4558 preamp circuit diagram 4558 preamp circuit es56033e ic 4558 low. Audio pre amplifier mic 4558 ic. One for line (stereo), one for microphone and has control of the. For enhanced signal magnitude to its input. Bismillah, kedua penguat tersebut terbuat dari satu ic, yaitu ic tipe. Tone control stereo with ic 4558. You should choose to use the ne5532 as main, it is so an interesting ic. Klik gambar skema rangkaian untuk melihat jelas, rangkaian preamp bisa anda lengkapi dengan tone control.

Bismillah, kedua penguat tersebut terbuat dari satu ic, yaitu ic tipe. One for line (stereo), one for microphone and has control of the. Audio pre amplifier mic 4558 ic. Tone control stereo with ic 4558. 4558 ic preamp ic 4558 audio diagram ic 4558 test circuit mic 4558

Audio pre amplifier mic 4558 ic. Cara Pasang Kit Btl Pada Power Amplifier Stereo Bahar Electronic
Cara Pasang Kit Btl Pada Power Amplifier Stereo Bahar Electronic from 1.bp.blogspot.com
4558 ic preamp ic 4558 audio diagram ic 4558 test circuit mic 4558 One for line (stereo), one for microphone and has control of the. Filter btl transistor, skema btl ic 741, skema preamp btl ic 4558, . Ic 4558 preamp circuit diagram 4558 preamp circuit es56033e ic 4558 low. You should choose to use the ne5532 as main, it is so an interesting ic. For enhanced signal magnitude to its input. Audio pre amplifier mic 4558 ic. Klik gambar skema rangkaian untuk melihat jelas, rangkaian preamp bisa anda lengkapi dengan tone control.

Bismillah, kedua penguat tersebut terbuat dari satu ic, yaitu ic tipe.

Klik gambar skema rangkaian untuk melihat jelas, rangkaian preamp bisa anda lengkapi dengan tone control. You should choose to use the ne5532 as main, it is so an interesting ic. For enhanced signal magnitude to its input. Bismillah, kedua penguat tersebut terbuat dari satu ic, yaitu ic tipe. 4558 ic preamp ic 4558 audio diagram ic 4558 test circuit mic 4558 Ic 4558 preamp circuit diagram 4558 preamp circuit es56033e ic 4558 low. Audio pre amplifier mic 4558 ic. Tone control stereo with ic 4558. Cocok untuk pree amp mic, dan audio input maupun output encoder. Filter btl transistor, skema btl ic 741, skema preamp btl ic 4558, . One for line (stereo), one for microphone and has control of the.

Skema Pre Amp Mic Ic 4558 / Pcb Preamp Mic 1 Ic Opamp Non Ct 113 Shopee Indonesia : One for line (stereo), one for microphone and has control of the.. Ic 4558 preamp circuit diagram 4558 preamp circuit es56033e ic 4558 low. Klik gambar skema rangkaian untuk melihat jelas, rangkaian preamp bisa anda lengkapi dengan tone control. For enhanced signal magnitude to its input. Bismillah, kedua penguat tersebut terbuat dari satu ic, yaitu ic tipe. Tone control stereo with ic 4558.

Ic 4558 preamp circuit diagram 4558 preamp circuit es56033e ic 4558 low skema pre amp. Cocok untuk pree amp mic, dan audio input maupun output encoder.

Posting Komentar untuk "Skema Pre Amp Mic Ic 4558 / Pcb Preamp Mic 1 Ic Opamp Non Ct 113 Shopee Indonesia : One for line (stereo), one for microphone and has control of the."